- Артикул09400546
- ВиробникGIGANT
- Наявність6
6000 грн
- Виробник осіGIGANT
- Внутрішній діаметр внутрішнього підшипника (мм)82
- Внутрішній діаметр зовнішнього підшипника (мм)68
- Зовнішній діаметр внутрішнього підшипника (мм)172
- Зовнішній діаметр зовнішнього підшипника (мм)172
- Кількість шпильок12
- Радіус колеса22,5
- СтанБУ
- Усі характеристики
6000 грн
Ступиця Колеса Gigant Dkh2/dokh2 Ø68/ø82*ø172*115Mm (Комплектна)
1 вісь Серія-ні.
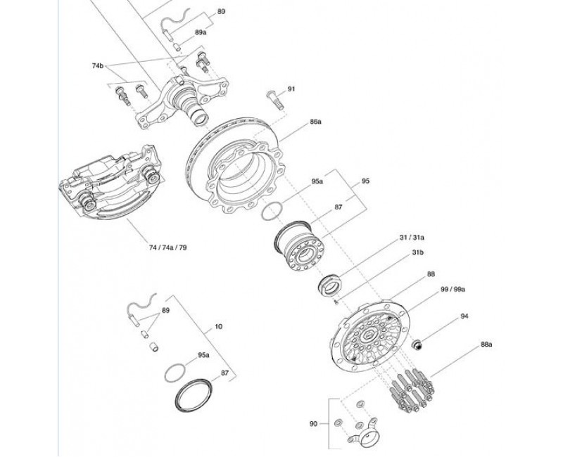
10 Комплект ABS (деталі 87, 89 та 95a) 09713742 0882263
31 Гайка шпинделя права M68 x 1,5 SW 95 09400535 0882264
31a Гайка шпинделя ліва M68 x 1,5 SW 95 09400536 0882265
31b Гвинт M6 x 16 01306016 0877843
74b Комплект гвинтів для 1 гальма 09317794 0882266
Дискові гальма HALDEX 3745H
74 Гальмівний супорт, без гальмівної колодки DB19 MODUL X 09285255 0882267
79 Комплект гальмівних колодок DB19 MODUL X 09291073 0882268
Дискові гальма HALDEX 4345H
74 Гальмівний супорт, без гальмівної колодки DB22 MODUL X LT 09285256 0882269
79 Комплект гальмівних колодок DB22 MODUL X LT 09291072 0882270
Дискове гальмо WABCO 3745W
74 Супорт лівий, без колодки PAN 19-1+ 09285257 0882271
74a Супорт правий, без колодки PAN 19-1+ 09285258 0882272
79 Комплект гальмівних колодок PAN 19-1+ 09291056 0877217
Дискове гальмо WABCO 4345W
74 Супорт гальмівний лівий, без колодки PAN 22-1 09285259 0882273
74a Супорт правий, без колодки PAN 22-1 09285260 0882274
79 Комплект гальмівних колодок PAN 22-1 09291074
86а Диск гальмівний 3745 0377 09267087
86a Диск гальмівний 4345 Увага: після зняття замініть гвинти torx! 0430 09267086
87 Кільце ABS 90 зубів 09264057
88 Фланець маточини 22,5 09281032
88a Комплект гвинтів M18 x 1,5 x 80 09317791
89 Індуктивний датчик ABS (включаючи деталь 89a) M200158-01
89а Втулка датчика 08505035
90 Монтажний комплект кронштейна габердометра 09713698
91 Шпилька колеса M22x 1,5x95 09713579
94 Гайка колеса M22 x 1,5/ SW32 08606072
94 Гайка колеса M22 x 1,5/ SW33 07204023
95 Комплект маточини (включаючи деталі 87 та 95a) Увага: після зняття замініть гвинти Torx! 09400546
95a Кільце ущільнювача 092x04 02501029
99 Логотип GIGANT 09400543
1 вісь Серія-ні.
10 Комплект ABS (деталі 87, 89 та 95a) 09713742 0882263
31 Гайка шпинделя права M68 x 1,5 SW 95 09400535 0882264
31a Гайка шпинделя ліва M68 x 1,5 SW 95 09400536 0882265
31b Гвинт M6 x 16 01306016 0877843
74b Комплект гвинтів для 1 гальма 09317794 0882266
Дискові гальма HALDEX 3745H
74 Гальмівний супорт, без гальмівної колодки DB19 MODUL X 09285255 0882267
79 Комплект гальмівних колодок DB19 MODUL X 09291073 0882268
Дискові гальма HALDEX 4345H
74 Гальмівний супорт, без гальмівної колодки DB22 MODUL X LT 09285256 0882269
79 Комплект гальмівних колодок DB22 MODUL X LT 09291072 0882270
Дискове гальмо WABCO 3745W
74 Супорт лівий, без колодки PAN 19-1+ 09285257 0882271
74a Супорт правий, без колодки PAN 19-1+ 09285258 0882272
79 Комплект гальмівних колодок PAN 19-1+ 09291056 0877217
Дискове гальмо WABCO 4345W
74 Супорт гальмівний лівий, без колодки PAN 22-1 09285259 0882273
74a Супорт правий, без колодки PAN 22-1 09285260 0882274
79 Комплект гальмівних колодок PAN 22-1 09291074
86а Диск гальмівний 3745 0377 09267087
86a Диск гальмівний 4345 Увага: після зняття замініть гвинти torx! 0430 09267086
87 Кільце ABS 90 зубів 09264057
88 Фланець маточини 22,5 09281032
88a Комплект гвинтів M18 x 1,5 x 80 09317791
89 Індуктивний датчик ABS (включаючи деталь 89a) M200158-01
89а Втулка датчика 08505035
90 Монтажний комплект кронштейна габердометра 09713698
91 Шпилька колеса M22x 1,5x95 09713579
94 Гайка колеса M22 x 1,5/ SW32 08606072
94 Гайка колеса M22 x 1,5/ SW33 07204023
95 Комплект маточини (включаючи деталі 87 та 95a) Увага: після зняття замініть гвинти Torx! 09400546
95a Кільце ущільнювача 092x04 02501029
99 Логотип GIGANT 09400543
Основні
- Виробник осіGIGANT
- Внутрішній діаметр внутрішнього підшипника (мм)82
- Внутрішній діаметр зовнішнього підшипника (мм)68
- Зовнішній діаметр внутрішнього підшипника (мм)172
- Зовнішній діаметр зовнішнього підшипника (мм)172
- Кількість шпильок12
- Радіус колеса22,5
- СтанБУ
Схожі товари
Ви дивилися
Напівпричіп KOGEL SPKH 24 (2001 р.) Н/ПР-Фкргон-Е, BPW напівресора
AP 2243 XO
Марка: KOGEL
Модель: SPKH 24
Тип: Н/ПР-Фкргон-Е
Рік випуску: 2001
Маса: 7650
Максимальна маса: 38000
Тип ход..
3600 грн
88771900 Рессора 1-лист. ROR (гусак) под 24 болт о.н. 21224664 БУ (аналог 88770100)
Виробник осі: ROR
Кількість листків: 1
Кількість отворів: 2
Коліно: Да
Коліно висота: 135
5500 грн
Advance F-2T (с/г) 7.50 R20 109A6 PR8 TT
Призначення: с/г
Ширина профілю: 7,5
Індекс навантаження: 109
Індекс швидкості: A6
Діаметр: 20
4750 грн
09953100 Ресору ROR о.н. 21215749 F001A037BK75
Виробник осі: ROR
Кількість листків: 1
Кількість отворів: 2
Коліно: Нет
Розмір 1 (Від центру болта до напрямної): 530
4500 грн
Вісь BPW ECO Plus 9010-15 2 болт disc (2250 довжина, 2095 колія, 1670 супорта торц, 1300 ресора)
Виробник осі: BPW
15000 грн
