- Артикул03.272.27.41.0
- ВиробникBPW
- Наявність9
6500 грн
- Виробник осіBPW
- Внутрішній діаметр внутрішнього підшипника (мм)80
- Внутрішній діаметр зовнішнього підшипника (мм)50
- Зовнішній діаметр внутрішнього підшипника (мм)130
- Зовнішній діаметр зовнішнього підшипника (мм)110
- Радіус колеса17,5
- СтанБУ
- Усі характеристики
6500 грн
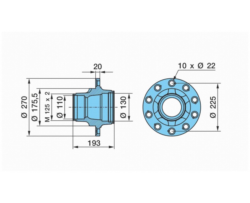
03.272.27.41.0 Ступиця
M 115 x 2 / Ø 110/130 / 175,5 / 10 x Ø 22 / 225
Конічний роликопідшипник
Внутрішній підшипник
02.6408.80.00
Розмір 33116
B 37
d 80
D 130
Зовнішній підшипник
02.6406.50.00
Розмір 32310
B 42,25
d 50
D 110
Варіант 1 (старого зразка)
09.801.02.17.0 Ремонтний комплект конічні роликопідшипники з упорним кільцем та ковпаком
420 Упорне кільце 05.370.06.48.0 Ø 86 / 104 / 115 / 142 x 22
422 Кільце (нейлон) 03.310.97.31.0 Ø 110 / 141 x 2,5
423 Кільце (нейлон) 03.310.97.32.0 Ø 104 / 136 x 2,5
430 Конічний роликопідшипник 02.6410.24.00 33116
431 Кільце ущільнювача 03.010.04.15.0 Ø 84 / 129 x 0,5 (5,5)
441 Конічний роликопідшипник 02.6410.25.00 32310
447 Шплінт 02.6201.82.01 Ø 8 x 50
460 Ковпак маточини 03.212.23.09.0 M 115 x 2 / H 62 / SW 95 / BPW
Варіант 2 (нового зразка)
09.801.06.05.0 Ремонтний комплект система підшипників ступиці ( ступиця у зборі )
420 Завзяте кільце в сб. Поз. 421, 422, 424 05.370.07.67.0
421 Упорне кільце 03.370.07.60.0 Ø 86 / 115 / 139 x 22 1
422 Сальник 02.5664.57.00 Ø 115 / 137 x 10,5 1
423 Кільце 02.5683.62.00 Ø 131 / 140 x 12
424 О-кільце 02.5677.90.40 Ø 90 x 3 1
428 Захисний щиток 02.5681.98.00 Ø 103 / 147 x 15
430 Конічний роликопідшипник 02.6408.80.00 33116
431 Кільце ущільнювача 03.010.93.33.0 Ø 84 / 129 x 8,5
435 Ступиця 03.272.30.97.0 M 125 x 2 / Ø 110/130 / 280,8 / 10 x Ø 22 / 335
437 Стопорне кільце 02.5606.40.90 Ø 140 x 4
438 Стопорне кільце 02.5606.12.90 Ø 112 x 4
440 Упорне кільце 03.370.25.16.0 Ø 54 / 98 x 9
441 Конічний роликопідшипник 02.6406.50.00 32310
445 Шайба 03.320.73.13.0 Ø 43 / 61 x 5,8
446 Осьова гайка 03.266.46.02.0 M 42 x 2 / Ø 110 / SW 65
447 Болт 03.084.71.17.0 Ø 8 x 45
448 Пружинне кільце з вусиком 03.188.03.06.0 Ø 54 x 2
460 Ковпак маточини 03.212.24.25.0 M 125 x 2 / H 61 / SW 110 / BPW
560 Кільце ( ротор) 03.310.08.15.0 Ø 152 / 170 x 15 (100 Z)
Аналоги підшипників
Внутрішній підшипник
EVOBUS 012 981 40 50
EVOBUS 012 981 41 05
EVOBUS 017 981 49 05
SNR HDB021
KOYO 33116JR
FEBI BILSTEIN 7908
MERCEDES-BENZ 012 981 40 05
MERCEDES-BENZ 012 981 41 05
MERCEDES-BENZ 017 981 49 05
PE Automotive 070.951-00
PE Automotive 070.951-00A
PE Automotive 070.986-00
PE Automotive 070.986-00A
PE Automotive 070.986-10
PE Automotive 070.986-10A
PE Automotive 070.986-20
PE Automotive 070.986-20A
PE Automotive 266.623-00
PE Automotive 266.623-00A
TRUCKTEC AUTOMOTIVE 90.07.009
AUGER 57148
SAMPA 085.073
MAN 06.32490.6400
DT 10.10440
DT 4.63866
SKF VKHB 2177
SKF VKHB 2298
SKF VKHB 2326
SKF VKHB 2403 S
TEMPLIN 11.050.0243.050
TEMPLIN 11.050.0243.050-625
TEMPLIN 11.050.0243.050-626
TEMPLIN 11.050.0243.050-627
MERITOR 99041067
FAG 33116
BPW 02.6408.80.00
BPW 02.6410.24.00
FEBI BILSTEIN 07908
Зовнішній підшипник
FEBI BILSTEIN 07900
BPW 02.6410.25.00
Luk 722 0557 10
EVOBUS 001 981 29 05
MEYLE 034650 0001
SNR HDB009
ONYARBI 30.02.76
INA 722 0557 10
KOYO 32310 JR
FEBI BILSTEIN 7900
MERCEDES-BENZ 001 981 74 05
MERCEDES-BENZ
M 115 x 2 / Ø 110/130 / 175,5 / 10 x Ø 22 / 225
Конічний роликопідшипник
Внутрішній підшипник
02.6408.80.00
Розмір 33116
B 37
d 80
D 130
Зовнішній підшипник
02.6406.50.00
Розмір 32310
B 42,25
d 50
D 110
Варіант 1 (старого зразка)
09.801.02.17.0 Ремонтний комплект конічні роликопідшипники з упорним кільцем та ковпаком
420 Упорне кільце 05.370.06.48.0 Ø 86 / 104 / 115 / 142 x 22
422 Кільце (нейлон) 03.310.97.31.0 Ø 110 / 141 x 2,5
423 Кільце (нейлон) 03.310.97.32.0 Ø 104 / 136 x 2,5
430 Конічний роликопідшипник 02.6410.24.00 33116
431 Кільце ущільнювача 03.010.04.15.0 Ø 84 / 129 x 0,5 (5,5)
441 Конічний роликопідшипник 02.6410.25.00 32310
447 Шплінт 02.6201.82.01 Ø 8 x 50
460 Ковпак маточини 03.212.23.09.0 M 115 x 2 / H 62 / SW 95 / BPW
Варіант 2 (нового зразка)
09.801.06.05.0 Ремонтний комплект система підшипників ступиці ( ступиця у зборі )
420 Завзяте кільце в сб. Поз. 421, 422, 424 05.370.07.67.0
421 Упорне кільце 03.370.07.60.0 Ø 86 / 115 / 139 x 22 1
422 Сальник 02.5664.57.00 Ø 115 / 137 x 10,5 1
423 Кільце 02.5683.62.00 Ø 131 / 140 x 12
424 О-кільце 02.5677.90.40 Ø 90 x 3 1
428 Захисний щиток 02.5681.98.00 Ø 103 / 147 x 15
430 Конічний роликопідшипник 02.6408.80.00 33116
431 Кільце ущільнювача 03.010.93.33.0 Ø 84 / 129 x 8,5
435 Ступиця 03.272.30.97.0 M 125 x 2 / Ø 110/130 / 280,8 / 10 x Ø 22 / 335
437 Стопорне кільце 02.5606.40.90 Ø 140 x 4
438 Стопорне кільце 02.5606.12.90 Ø 112 x 4
440 Упорне кільце 03.370.25.16.0 Ø 54 / 98 x 9
441 Конічний роликопідшипник 02.6406.50.00 32310
445 Шайба 03.320.73.13.0 Ø 43 / 61 x 5,8
446 Осьова гайка 03.266.46.02.0 M 42 x 2 / Ø 110 / SW 65
447 Болт 03.084.71.17.0 Ø 8 x 45
448 Пружинне кільце з вусиком 03.188.03.06.0 Ø 54 x 2
460 Ковпак маточини 03.212.24.25.0 M 125 x 2 / H 61 / SW 110 / BPW
560 Кільце ( ротор) 03.310.08.15.0 Ø 152 / 170 x 15 (100 Z)
Аналоги підшипників
Внутрішній підшипник
EVOBUS 012 981 40 50
EVOBUS 012 981 41 05
EVOBUS 017 981 49 05
SNR HDB021
KOYO 33116JR
FEBI BILSTEIN 7908
MERCEDES-BENZ 012 981 40 05
MERCEDES-BENZ 012 981 41 05
MERCEDES-BENZ 017 981 49 05
PE Automotive 070.951-00
PE Automotive 070.951-00A
PE Automotive 070.986-00
PE Automotive 070.986-00A
PE Automotive 070.986-10
PE Automotive 070.986-10A
PE Automotive 070.986-20
PE Automotive 070.986-20A
PE Automotive 266.623-00
PE Automotive 266.623-00A
TRUCKTEC AUTOMOTIVE 90.07.009
AUGER 57148
SAMPA 085.073
MAN 06.32490.6400
DT 10.10440
DT 4.63866
SKF VKHB 2177
SKF VKHB 2298
SKF VKHB 2326
SKF VKHB 2403 S
TEMPLIN 11.050.0243.050
TEMPLIN 11.050.0243.050-625
TEMPLIN 11.050.0243.050-626
TEMPLIN 11.050.0243.050-627
MERITOR 99041067
FAG 33116
BPW 02.6408.80.00
BPW 02.6410.24.00
FEBI BILSTEIN 07908
Зовнішній підшипник
FEBI BILSTEIN 07900
BPW 02.6410.25.00
Luk 722 0557 10
EVOBUS 001 981 29 05
MEYLE 034650 0001
SNR HDB009
ONYARBI 30.02.76
INA 722 0557 10
KOYO 32310 JR
FEBI BILSTEIN 7900
MERCEDES-BENZ 001 981 74 05
MERCEDES-BENZ
Основні
- Виробник осіBPW
- Внутрішній діаметр внутрішнього підшипника (мм)80
- Внутрішній діаметр зовнішнього підшипника (мм)50
- Зовнішній діаметр внутрішнього підшипника (мм)130
- Зовнішній діаметр зовнішнього підшипника (мм)110
- Радіус колеса17,5
- СтанБУ
Схожі товари
Ви дивилися
Ступиця BPW ECO (шпилька) 03.272.30.97.0 без підшипників
03.272.30.97.0
Конічний роликопідшипник
Внутрішній підшипник
02.6408.80.00
Розмір 33116
B 37
d 80
D 130
Зовнішній під..
2500 грн
Ступиця BPW ECO (шпилька) 03.272.30.94.0 Алюміній (вісь 24.38.743.285)
03.272.30.94.0
Конічний роликопідшипник
Внутрішній підшипник
02.6408.80.00
Розмір 33116
B 37
d 80
D 130
Зовнішній під..
10000 грн
